Rev 974 – miho – 6537 d 4 h (2008-01-06 16:47:34)
Moved remotely
Subversion Repositories
–
MLAB
MLAB
library
svnkaklik
MLAB_E
8magsvn
Català-Valencià – Catalan
中文 – Chinese (Simplified)
中文 – Chinese (Traditional)
Česky – Czech
Dansk – Danish
Nederlands – Dutch
English – English
Suomi – Finnish
Français – French
Deutsch – German
עברית – Hebrew
हिंदी – Hindi
Magyar – Hungarian
Bahasa Indonesia – Indonesian
Italiano – Italian
日本語 – Japanese
한국어 – Korean
Македонски – Macedonian
मराठी – Marathi
Norsk – Norwegian
Polski – Polish
Português – Portuguese
Português – Portuguese (Brazil)
Русский – Russian
Slovenčina – Slovak
Slovenščina – Slovenian
Español – Spanish
Svenska – Swedish
Türkçe – Turkish
Українська – Ukrainian
Oëzbekcha – Uzbek
(root)
/
/
Articles
/
Texts Krouzek
/
Proudové zrcadlo
/
DOC
/
SRC/
@ 4162
Search
Rev 4993
Rev 961
Compare with Previous
Last modification
View Log
Download
Path
Last modification
Log
Download
Proudové zrcadlo.doc
85
7091 d 10 h
miho
Log
Download
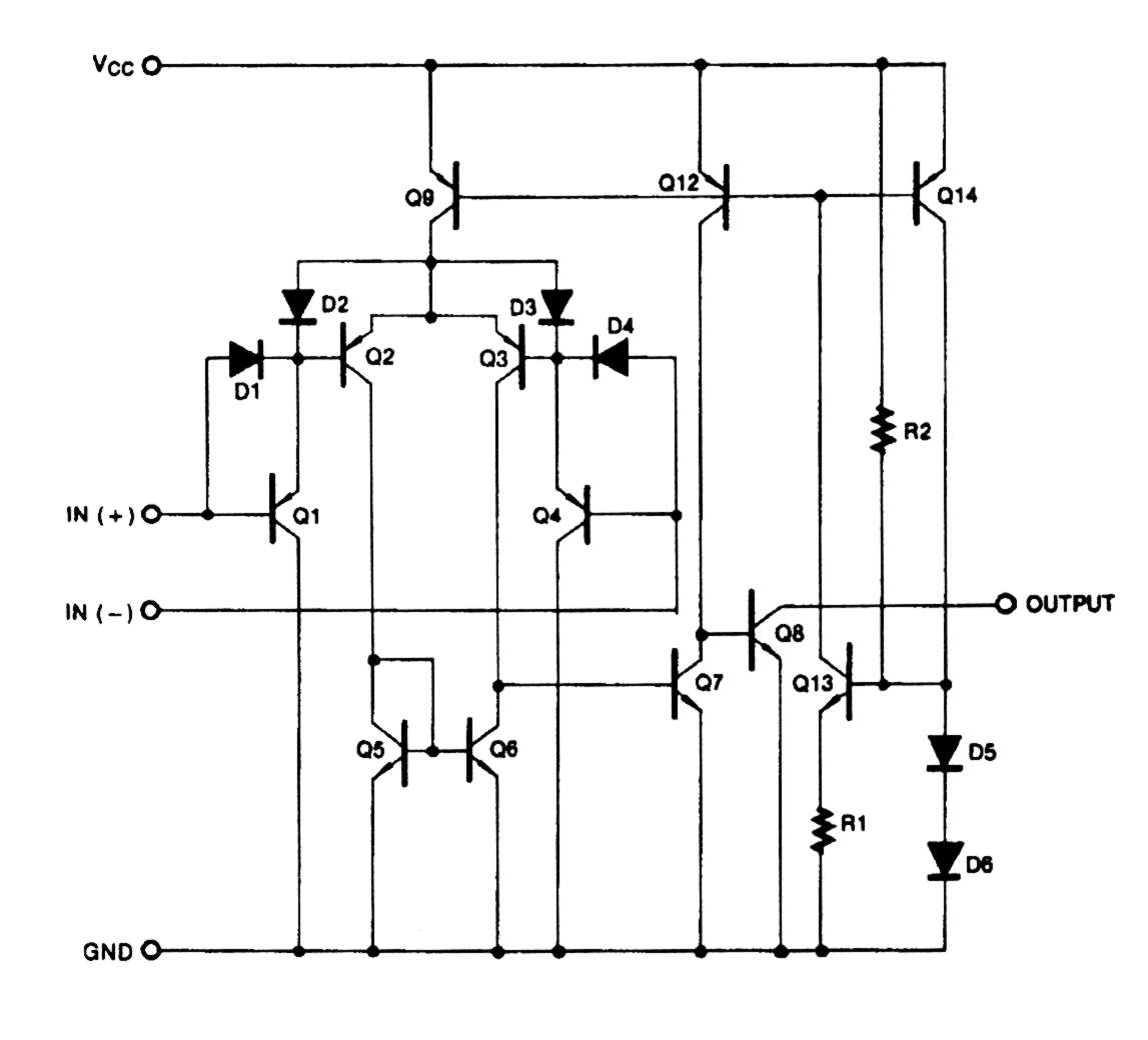
Schema.jpg
85
7091 d 10 h
miho
Log
Download
Zrcadlo.dsn
85
7091 d 10 h
miho
Log
Download