Rev 2241 – kaklik – 5178 d 14 h (2011-09-27 10:31:35)
prace na specialnim firmwaru pro logovaci luxmetr.
Subversion Repositories
–
MLAB
MLAB
library
svnkaklik
MLAB_E
8magsvn
Català-Valencià – Catalan
中文 – Chinese (Simplified)
中文 – Chinese (Traditional)
Česky – Czech
Dansk – Danish
Nederlands – Dutch
English – English
Suomi – Finnish
Français – French
Deutsch – German
עברית – Hebrew
हिंदी – Hindi
Magyar – Hungarian
Bahasa Indonesia – Indonesian
Italiano – Italian
日本語 – Japanese
한국어 – Korean
Македонски – Macedonian
मराठी – Marathi
Norsk – Norwegian
Polski – Polish
Português – Portuguese
Português – Portuguese (Brazil)
Русский – Russian
Slovenčina – Slovak
Slovenščina – Slovenian
Español – Spanish
Svenska – Swedish
Türkçe – Turkish
Українська – Ukrainian
Oëzbekcha – Uzbek
(root)
/
Designs
/
Data_loggers
/
GPSRL03A/
@ 4619
Search
Rev 4993
Rev 1858
Compare with Previous
Last modification
View Log
Download
Path
Last modification
Log
Download
data/
2241
5178 d 14 h
kaklik
Log
Download
diskio.h
1234
6273 d 2 h
kaklik
Log
Download
ff.c
1234
6273 d 2 h
kaklik
Log
Download
ff.h
1234
6273 d 2 h
kaklik
Log
Download
glg.elf
1305
6161 d 12 h
kaklik
Log
Download
glg.hex
1305
6161 d 12 h
kaklik
Log
Download
glg.lst
1305
6161 d 12 h
kaklik
Log
Download
glg.map
1296
6162 d 3 h
kaklik
Log
Download
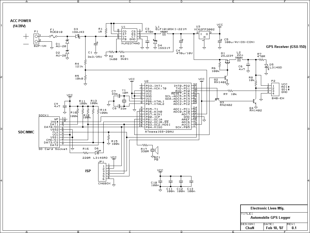
glg_sch.png
1234
6273 d 2 h
kaklik
Log
Download
integer.h
1234
6273 d 2 h
kaklik
Log
Download
main.c
1305
6161 d 12 h
kaklik
Log
Download
Makefile
1234
6273 d 2 h
kaklik
Log
Download
mmc.c
1234
6273 d 2 h
kaklik
Log
Download
tff.c
1234
6273 d 2 h
kaklik
Log
Download
tff.h
1234
6273 d 2 h
kaklik
Log
Download
tt.ini
1234
6273 d 2 h
kaklik
Log
Download