MLAB
library
svnkaklik
MLAB_E
8magsvn
Català-Valencià – Catalan
中文 – Chinese (Simplified)
中文 – Chinese (Traditional)
Česky – Czech
Dansk – Danish
Nederlands – Dutch
English – English
Suomi – Finnish
Français – French
Deutsch – German
עברית – Hebrew
हिंदी – Hindi
Magyar – Hungarian
Bahasa Indonesia – Indonesian
Italiano – Italian
日本語 – Japanese
한국어 – Korean
Македонски – Macedonian
मराठी – Marathi
Norsk – Norwegian
Polski – Polish
Português – Portuguese
Português – Portuguese (Brazil)
Русский – Russian
Slovenčina – Slovak
Slovenščina – Slovenian
Español – Spanish
Svenska – Swedish
Türkçe – Turkish
Українська – Ukrainian
Oëzbekcha – Uzbek
Subversion Repositories
svnkaklik
(root)
/
/
dokumenty
/
skolni
/
PRA2
/
hysterezni_smycka/
@ 1148
– Rev 1175
Rev
Search
Rev 918
|
Last modification
|
Compare with Previous
|
View Log
|
Download
Last modification
Rev 920 2012-03-04 22:18:29
Author:
kaklik
Log message:
prace na protokolech.
Path
Last modification
Log
Download
ze_skoly/
920
4989 d 5 h
kaklik
Log
Download
data.ods
917
4995 d 13 h
kaklik
Log
Download
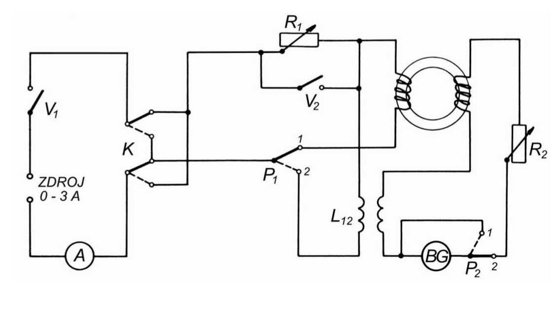
hystereze_feromagnetika.png
912
4996 d 15 h
kaklik
Log
Download
hysterezni_smycka.pdf
918
4989 d 12 h
kaklik
Log
Download
hysterezni_smycka.png
917
4995 d 13 h
kaklik
Log
Download
hysterezni_smycka.tex
918
4989 d 12 h
kaklik
Log
Download
HystSmycka_2012v2.pdf
909
5003 d 17 h
kaklik
Log
Download
komutace_dolu.txt
915
4996 d 5 h
kaklik
Log
Download
komutace_nahoru.txt
915
4996 d 5 h
kaklik
Log
Download
plot.gp
917
4995 d 13 h
kaklik
Log
Download
schema_zapojeni.png
912
4996 d 15 h
kaklik
Log
Download