MLAB
library
svnkaklik
MLAB_E
8magsvn
Català-Valencià – Catalan
中文 – Chinese (Simplified)
中文 – Chinese (Traditional)
Česky – Czech
Dansk – Danish
Nederlands – Dutch
English – English
Suomi – Finnish
Français – French
Deutsch – German
עברית – Hebrew
हिंदी – Hindi
Magyar – Hungarian
Bahasa Indonesia – Indonesian
Italiano – Italian
日本語 – Japanese
한국어 – Korean
Македонски – Macedonian
मराठी – Marathi
Norsk – Norwegian
Polski – Polish
Português – Portuguese
Português – Portuguese (Brazil)
Русский – Russian
Slovenčina – Slovak
Slovenščina – Slovenian
Español – Spanish
Svenska – Swedish
Türkçe – Turkish
Українська – Ukrainian
Oëzbekcha – Uzbek
Subversion Repositories
svnkaklik
(root)
/
/
dokumenty
/
skolni
/
automatizace
/
mereni8/
@ 1156
– Rev 1175
Rev
Search
Rev 130
|
Last modification
|
Compare with Previous
|
View Log
|
Download
Last modification
Rev 664 2010-05-22 18:41:13
Author:
kaklik
Log message:
uklid v dokumentech
Path
Last modification
Log
Download
graf.png
130
6826 d 19 h
kaklik
Log
Download
graf.svg
130
6826 d 19 h
kaklik
Log
Download
protokol.odt
130
6826 d 19 h
kaklik
Log
Download
protokol.pdf
130
6826 d 19 h
kaklik
Log
Download
schema.dia
130
6826 d 19 h
kaklik
Log
Download
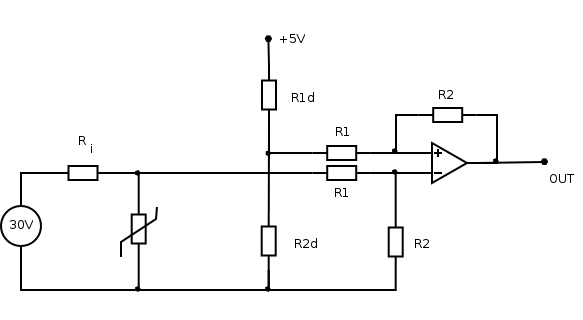
schema.png
130
6826 d 19 h
kaklik
Log
Download
TEPLOMER.BMP
115
6854 d 19 h
kaklik
Log
Download