MLAB
library
svnkaklik
MLAB_E
8magsvn
Català-Valencià – Catalan
中文 – Chinese (Simplified)
中文 – Chinese (Traditional)
Česky – Czech
Dansk – Danish
Nederlands – Dutch
English – English
Suomi – Finnish
Français – French
Deutsch – German
עברית – Hebrew
हिंदी – Hindi
Magyar – Hungarian
Bahasa Indonesia – Indonesian
Italiano – Italian
日本語 – Japanese
한국어 – Korean
Македонски – Macedonian
मराठी – Marathi
Norsk – Norwegian
Polski – Polish
Português – Portuguese
Português – Portuguese (Brazil)
Русский – Russian
Slovenčina – Slovak
Slovenščina – Slovenian
Español – Spanish
Svenska – Swedish
Türkçe – Turkish
Українська – Ukrainian
Oëzbekcha – Uzbek
Subversion Repositories
svnkaklik
(root)
/
dokumenty
/
skolni
/
PRA2
/
polarizace/
@ 1029
– Rev 1175
Rev
Search
Rev 965
|
Last modification
|
Compare with Previous
|
View Log
|
Download
Last modification
Rev 1068 2013-02-09 16:48:33
Author:
kaklik
Log message:
Path
Last modification
Log
Download
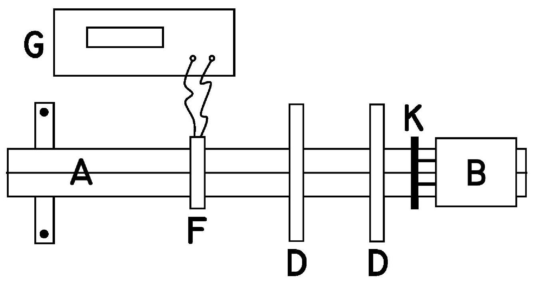
brewsteruv_uhel_aparatura.png
784
5401 d 10 h
kaklik
Log
Download
data.ods
1068
4727 d 17 h
kaklik
Log
Download
malusuv_zakon.png
1068
4727 d 17 h
kaklik
Log
Download
opticka_aktivita.png
784
5401 d 10 h
kaklik
Log
Download
plot.gp
964
5006 d 12 h
kaklik
Log
Download
polarizace.pdf
1068
4727 d 17 h
kaklik
Log
Download
polarizace.tex
1068
4727 d 17 h
kaklik
Log
Download
polarizace_aparatura.png
784
5401 d 10 h
kaklik
Log
Download
polarizace_odraz.png
1068
4727 d 17 h
kaklik
Log
Download
Polarizace_zadani.pdf
955
5025 d 13 h
kaklik
Log
Download
polarizacni_interference.png
784
5401 d 10 h
kaklik
Log
Download
rotace_desky.txt
964
5006 d 12 h
kaklik
Log
Download
rotace_filtru.txt
964
5006 d 12 h
kaklik
Log
Download