MLAB
library
svnkaklik
MLAB_E
8magsvn
Català-Valencià – Catalan
中文 – Chinese (Simplified)
中文 – Chinese (Traditional)
Česky – Czech
Dansk – Danish
Nederlands – Dutch
English – English
Suomi – Finnish
Français – French
Deutsch – German
עברית – Hebrew
हिंदी – Hindi
Magyar – Hungarian
Bahasa Indonesia – Indonesian
Italiano – Italian
日本語 – Japanese
한국어 – Korean
Македонски – Macedonian
मराठी – Marathi
Norsk – Norwegian
Polski – Polish
Português – Portuguese
Português – Portuguese (Brazil)
Русский – Russian
Slovenčina – Slovak
Slovenščina – Slovenian
Español – Spanish
Svenska – Swedish
Türkçe – Turkish
Українська – Ukrainian
Oëzbekcha – Uzbek
Subversion Repositories
svnkaklik
(root)
/
dokumenty
/
skolni
/
PRA2
/
rezonancni_obvody/
@ 1064
– Rev 1175
Rev
Search
Rev 920
|
Last modification
|
Compare with Previous
|
View Log
|
Download
Last modification
Rev 926 2012-03-12 09:35:50
Author:
kaklik
Log message:
prace na protokolu pri praktikach
Path
Last modification
Log
Download
data.ods
920
5067 d 14 h
kaklik
Log
Download
plot.gp
926
5060 d 3 h
kaklik
Log
Download
Res_2012.pdf
914
5074 d 14 h
kaklik
Log
Download
rezonance_frekvence.png
926
5060 d 3 h
kaklik
Log
Download
rezonance_frekvence_bezjadra.txt
920
5067 d 14 h
kaklik
Log
Download
rezonance_frekvence_bezjadra_korekce.txt
920
5067 d 14 h
kaklik
Log
Download
rezonance_frekvence_korekce.png
920
5067 d 14 h
kaklik
Log
Download
rezonance_frekvence_sjadrem.txt
920
5067 d 14 h
kaklik
Log
Download
rezonance_frekvence_sjadrem_korekce.txt
920
5067 d 14 h
kaklik
Log
Download
rezonance_kapacita.png
920
5067 d 14 h
kaklik
Log
Download
rezonance_kapacita.txt
919
5067 d 18 h
kaklik
Log
Download
rezonancni_obvody.pdf
920
5067 d 14 h
kaklik
Log
Download
rezonancni_obvody.tex
920
5067 d 14 h
kaklik
Log
Download
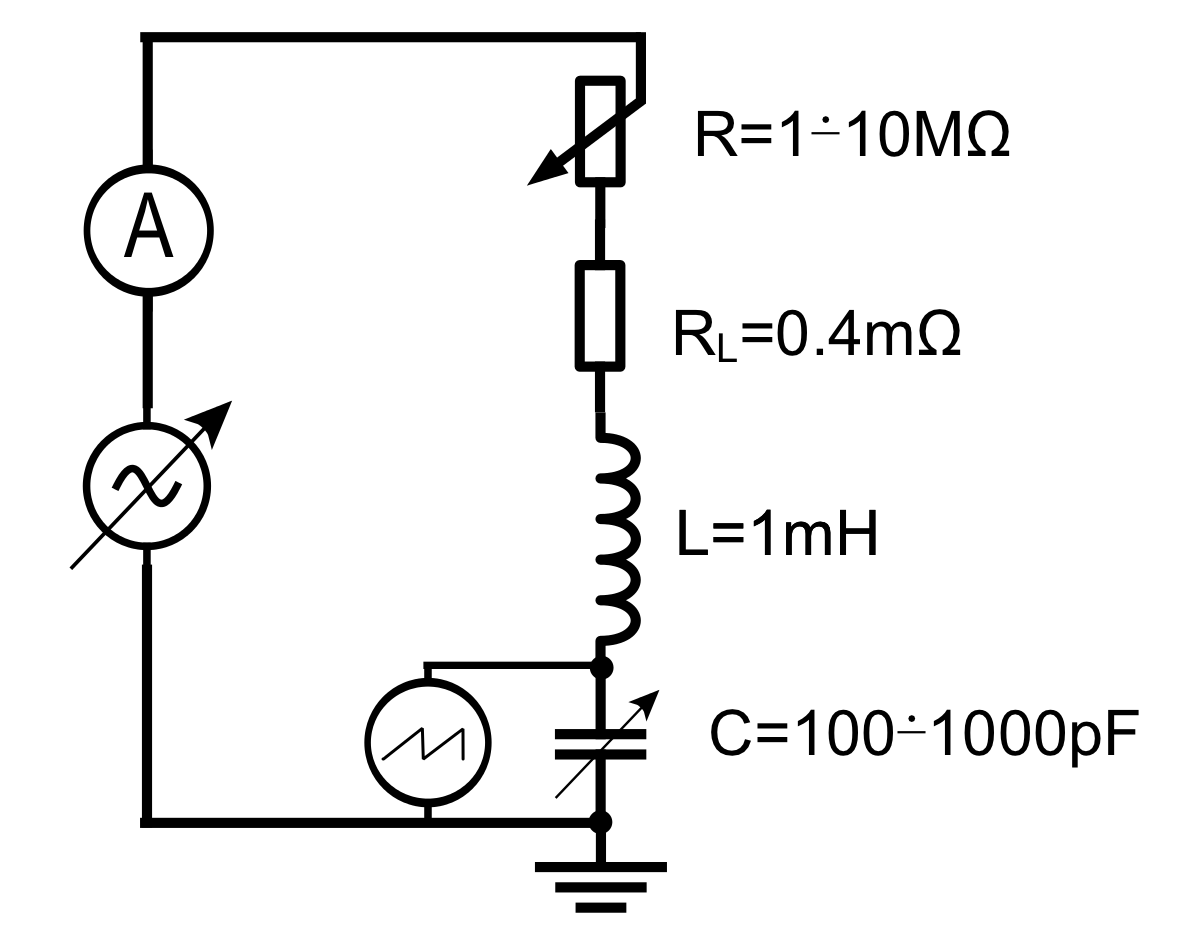
Schema_zapojeni.png
918
5067 d 21 h
kaklik
Log
Download