Subversion Repositories svnkaklik

Rev

Rev 917 | Rev 919 | Go to most recent revision | Last modification | Compare with Previous | View Log | Download

Last modification

Path Last modification Log Download
[NODE][NODE][NODE][NODE] [FILE] data.ods 917  5073 d 0 h kaklik Log Download
[NODE][NODE][NODE][NODE] [FILE] Res_2012.pdf 914  5073 d 16 h kaklik Log Download
[NODE][NODE][NODE][NODE] [FILE] rezonancni_obvody.tex 918  5066 d 22 h kaklik Log Download
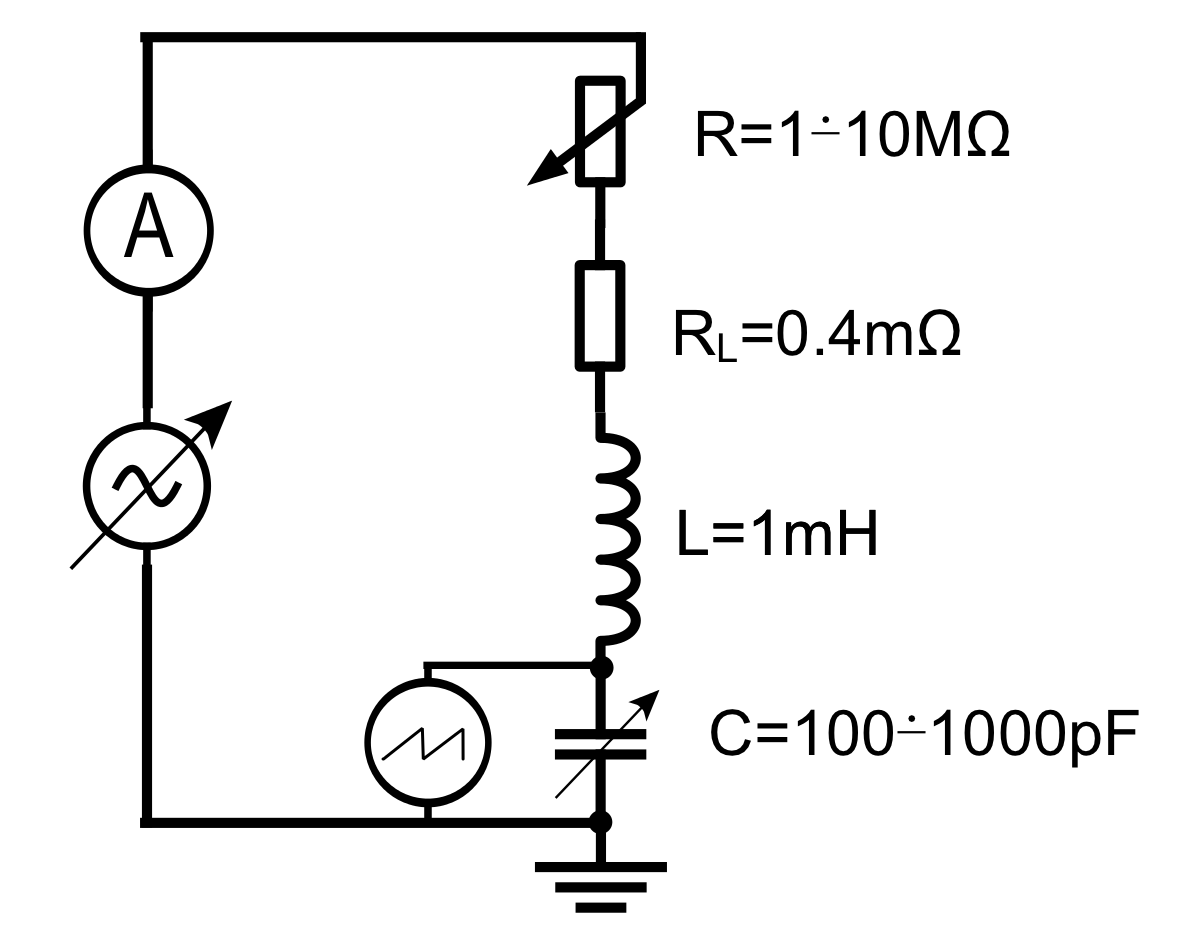
[NODE][NODE][NODE][NODE] [DB-FILE] Schema_zapojeni.png 918  5066 d 22 h kaklik Log Download