MLAB
library
svnkaklik
MLAB_E
8magsvn
Català-Valencià – Catalan
中文 – Chinese (Simplified)
中文 – Chinese (Traditional)
Česky – Czech
Dansk – Danish
Nederlands – Dutch
English – English
Suomi – Finnish
Français – French
Deutsch – German
עברית – Hebrew
हिंदी – Hindi
Magyar – Hungarian
Bahasa Indonesia – Indonesian
Italiano – Italian
日本語 – Japanese
한국어 – Korean
Македонски – Macedonian
मराठी – Marathi
Norsk – Norwegian
Polski – Polish
Português – Portuguese
Português – Portuguese (Brazil)
Русский – Russian
Slovenčina – Slovak
Slovenščina – Slovenian
Español – Spanish
Svenska – Swedish
Türkçe – Turkish
Українська – Ukrainian
Oëzbekcha – Uzbek
Subversion Repositories
svnkaklik
(root)
/
dokumenty
/
skolni
/
diplomka
/
img
/
screenshots/
@ 1074
– Rev 1175
Rev
Search
Rev 1127
|
Last modification
|
Compare with Previous
|
View Log
|
Download
Last modification
Rev 1159 2014-05-12 15:41:52
Author:
kaklik
Log message:
opravy nekterych chyb.
Path
Last modification
Log
Download
ADC1_CH1_FFT.png
1159
4185 d 1 h
kaklik
Log
Download
ADC1_CH2_FFT.png
1079
4204 d 2 h
kaklik
Log
Download
ADC1_cross_talk.png
1105
4191 d 6 h
kaklik
Log
Download
ADC1_waterfall.png
1078
4204 d 3 h
kaklik
Log
Download
ADC2_CH1_FFT.png
1159
4185 d 1 h
kaklik
Log
Download
ADC2_CH2_FFT.png
1105
4191 d 6 h
kaklik
Log
Download
ADC2_cross_talk.png
1105
4191 d 6 h
kaklik
Log
Download
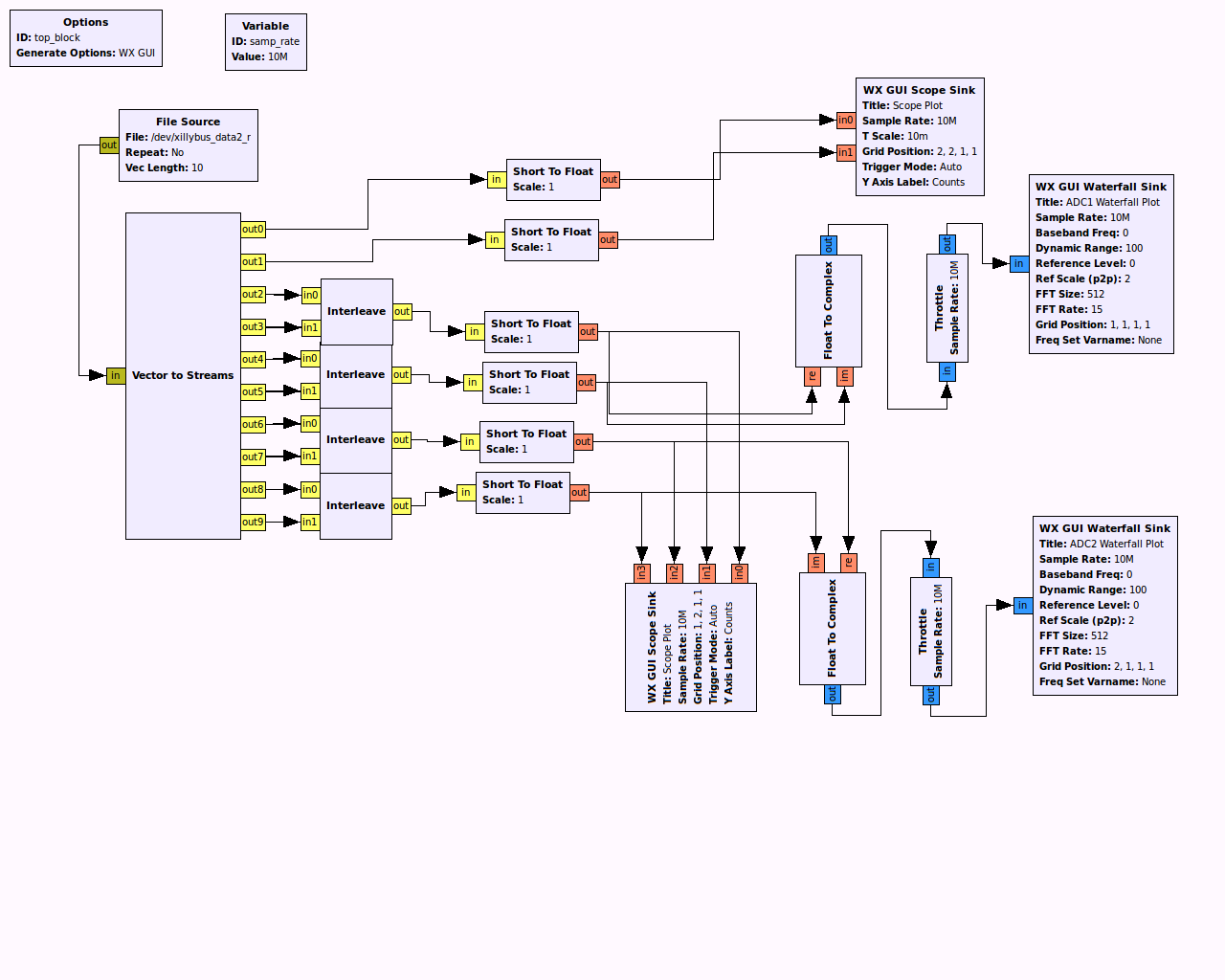
Grabber.grc.png
1127
4186 d 22 h
kaklik
Log
Download
Grabber_running.png
1073
4211 d 5 h
kaklik
Log
Download
observed_meteor.png
1159
4185 d 1 h
kaklik
Log
Download
phase_difference.png
1159
4185 d 1 h
kaklik
Log
Download