Rev 214 – pavlicek – 6393 d 11 h (2008-04-20 18:10:19)
Subversion Repositories
–
MLAB_E
MLAB
library
svnkaklik
MLAB_E
8magsvn
Català-Valencià – Catalan
中文 – Chinese (Simplified)
中文 – Chinese (Traditional)
Česky – Czech
Dansk – Danish
Nederlands – Dutch
English – English
Suomi – Finnish
Français – French
Deutsch – German
עברית – Hebrew
हिंदी – Hindi
Magyar – Hungarian
Bahasa Indonesia – Indonesian
Italiano – Italian
日本語 – Japanese
한국어 – Korean
Македонски – Macedonian
मराठी – Marathi
Norsk – Norwegian
Polski – Polish
Português – Portuguese
Português – Portuguese (Brazil)
Русский – Russian
Slovenčina – Slovak
Slovenščina – Slovenian
Español – Spanish
Svenska – Swedish
Türkçe – Turkish
Українська – Ukrainian
Oëzbekcha – Uzbek
(root)
/
projekty
/
Luxmetr
/
DOC
/
Dokumentace/
@ 617
Search
Rev 1162
Rev 199
Compare with Previous
Last modification
View Log
Download
Path
Last modification
Log
Download
blokové schéma.png
180
6407 d 17 h
pavlicek
Log
Download
BPW21R.pdf
180
6407 d 17 h
pavlicek
Log
Download
BPW21R_konstanta .xls
180
6407 d 17 h
pavlicek
Log
Download
BPW21R_Vishay.pdf
180
6407 d 17 h
pavlicek
Log
Download
I_U.png
180
6407 d 17 h
pavlicek
Log
Download
Luxmetr.doc
214
6393 d 11 h
pavlicek
Log
Download
Luxmetr.pdf
214
6393 d 11 h
pavlicek
Log
Download
rozsahy.xls
180
6407 d 17 h
pavlicek
Log
Download
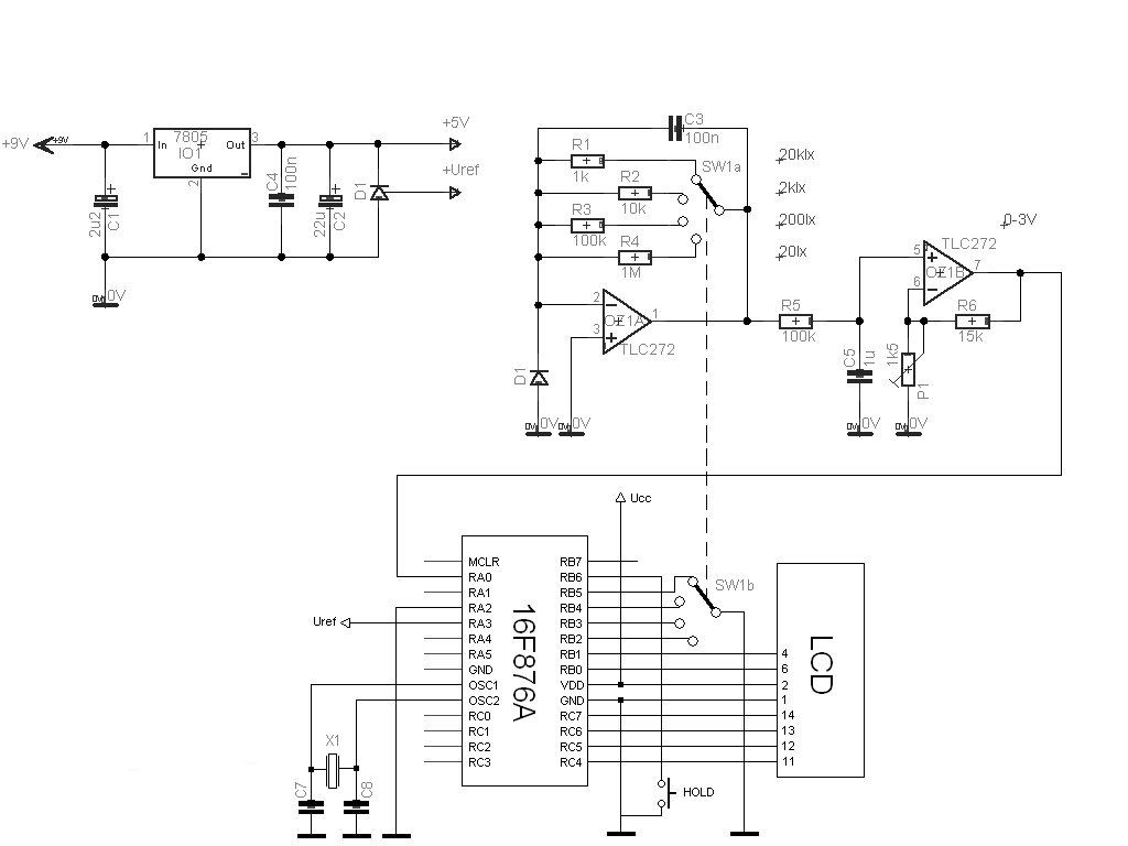
schema vstupu.png
180
6407 d 17 h
pavlicek
Log
Download
schéma.bmp
180
6407 d 17 h
pavlicek
Log
Download
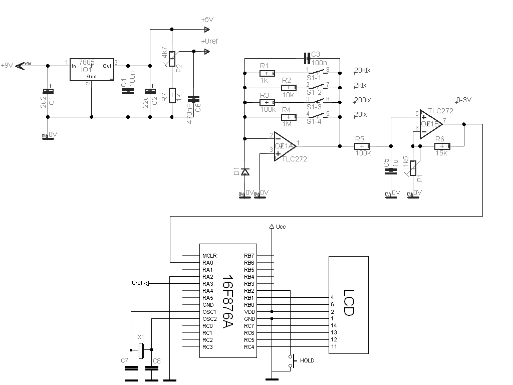
schéma.png
180
6407 d 17 h
pavlicek
Log
Download
spekralni_zavislost.png
180
6407 d 17 h
pavlicek
Log
Download
Thumbs.db
180
6407 d 17 h
pavlicek
Log
Download
závislost I na E.png
180
6407 d 17 h
pavlicek
Log
Download