Rev 258 – kaklik – 5335 d 12 h (2011-04-04 17:50:28)
dokumentace
Subversion Repositories
–
MLAB_E
MLAB
library
svnkaklik
MLAB_E
8magsvn
Català-Valencià – Catalan
中文 – Chinese (Simplified)
中文 – Chinese (Traditional)
Česky – Czech
Dansk – Danish
Nederlands – Dutch
English – English
Suomi – Finnish
Français – French
Deutsch – German
עברית – Hebrew
हिंदी – Hindi
Magyar – Hungarian
Bahasa Indonesia – Indonesian
Italiano – Italian
日本語 – Japanese
한국어 – Korean
Македонски – Macedonian
मराठी – Marathi
Norsk – Norwegian
Polski – Polish
Português – Portuguese
Português – Portuguese (Brazil)
Русский – Russian
Slovenčina – Slovak
Slovenščina – Slovenian
Español – Spanish
Svenska – Swedish
Türkçe – Turkish
Українська – Ukrainian
Oëzbekcha – Uzbek
(root)
/
projekty
/
Meteorologicka_stanice
/
DOC/
@ 469
Search
Rev 1162
Rev 231
Compare with Previous
Last modification
View Log
Download
Path
Last modification
Log
Download
dokumentace/
258
5335 d 12 h
kaklik
Log
Download
prezentace/
231
6400 d 10 h
chroust
Log
Download
Blok_schema.jpg
95
6543 d 9 h
chroust
Log
Download
Meteorologicka_uvod2.doc
95
6543 d 9 h
chroust
Log
Download
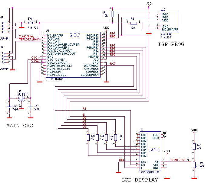
Schema.JPG
192
6421 d 15 h
chroust
Log
Download
Schema1.JPG
192
6421 d 15 h
chroust
Log
Download
tlak_cidlo.jpg
95
6543 d 9 h
chroust
Log
Download
zadani.doc
95
6543 d 9 h
chroust
Log
Download