Rev 191 – chroust – 6490 d 21 h (2008-04-13 14:42:30)
Úprava schémat
Subversion Repositories
–
MLAB_E
MLAB
library
svnkaklik
MLAB_E
8magsvn
Català-Valencià – Catalan
中文 – Chinese (Simplified)
中文 – Chinese (Traditional)
Česky – Czech
Dansk – Danish
Nederlands – Dutch
English – English
Suomi – Finnish
Français – French
Deutsch – German
עברית – Hebrew
हिंदी – Hindi
Magyar – Hungarian
Bahasa Indonesia – Indonesian
Italiano – Italian
日本語 – Japanese
한국어 – Korean
Македонски – Macedonian
मराठी – Marathi
Norsk – Norwegian
Polski – Polish
Português – Portuguese
Português – Portuguese (Brazil)
Русский – Russian
Slovenčina – Slovak
Slovenščina – Slovenian
Español – Spanish
Svenska – Swedish
Türkçe – Turkish
Українська – Ukrainian
Oëzbekcha – Uzbek
(root)
/
/
projekty
/
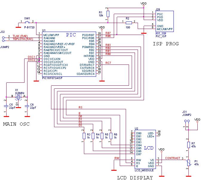
Meteorologicka_stanice
/
DOC
/
Schema.JPG
Rev 191
Go to most recent revision
Show changed files
Details
Blame
Compare with Previous
From rev:
To rev:
Max revs:
Search history for:
Rev
Age
Author
Path
Log message
Diff
191
6490 d 22 h
chroust
/projekty/Meteorologicka_stanice/DOC/
Přidány další schémata v jpg
Diff
190
6490 d 23 h
chroust
/projekty/Meteorologicka_stanice/DOC/
přidán jpg schéma celého projektu
Diff