MLAB
library
svnkaklik
MLAB_E
8magsvn
Català-Valencià – Catalan
中文 – Chinese (Simplified)
中文 – Chinese (Traditional)
Česky – Czech
Dansk – Danish
Nederlands – Dutch
English – English
Suomi – Finnish
Français – French
Deutsch – German
עברית – Hebrew
हिंदी – Hindi
Magyar – Hungarian
Bahasa Indonesia – Indonesian
Italiano – Italian
日本語 – Japanese
한국어 – Korean
Македонски – Macedonian
मराठी – Marathi
Norsk – Norwegian
Polski – Polish
Português – Portuguese
Português – Portuguese (Brazil)
Русский – Russian
Slovenčina – Slovak
Slovenščina – Slovenian
Español – Spanish
Svenska – Swedish
Türkçe – Turkish
Українська – Ukrainian
Oëzbekcha – Uzbek
Subversion Repositories
svnkaklik
(root)
/
/
dokumenty
/
skolni
/
PRA2
/
hysterezni_smycka
/
schema_zapojeni.png
– Rev 912
Rev
Directory listing
|
Details
|
Blame
|
View Log
Last modification
Rev 912 –
5075 d 12 h
Author:
kaklik
Log message:
prace na protokolu.
Path
Blame
Diff
Log
/dokumenty/skolni/PRA2/hysterezni_smycka/hystereze_feromagnetika.png
/dokumenty/skolni/PRA2/hysterezni_smycka/hysterezni_smycka.pdf
/dokumenty/skolni/PRA2/hysterezni_smycka/hysterezni_smycka.tex
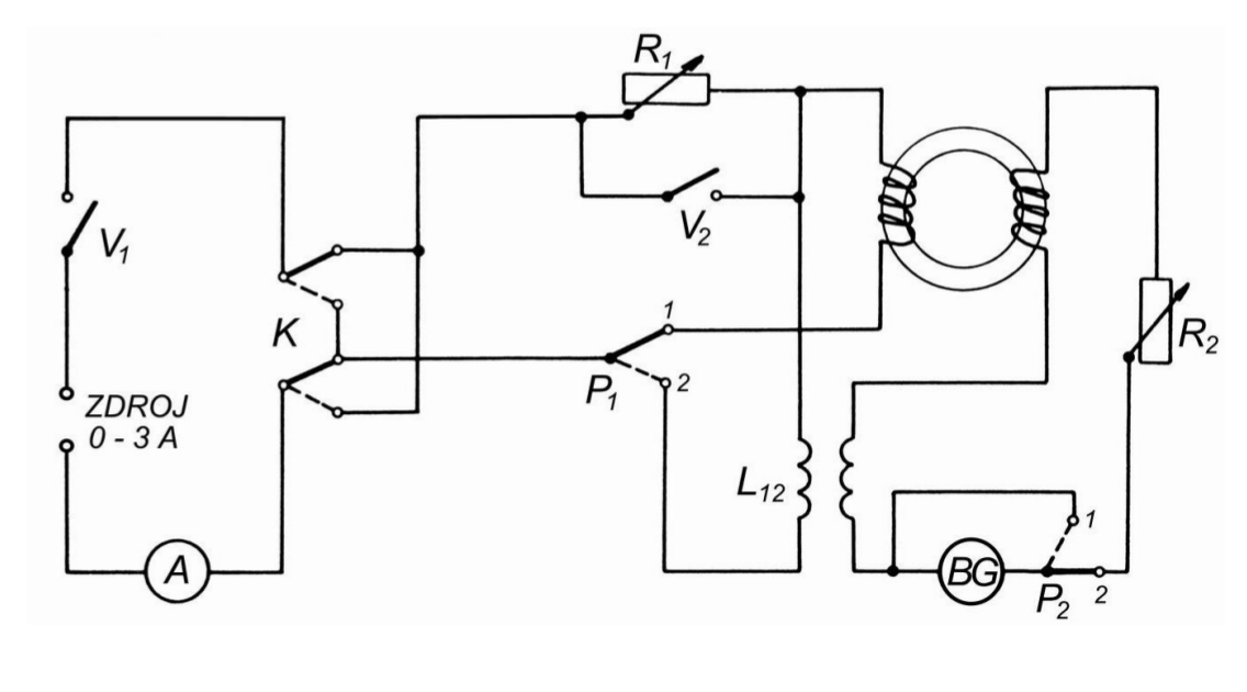
/dokumenty/skolni/PRA2/hysterezni_smycka/schema_zapojeni.png
/dokumenty/skolni/PRA2/Mikrovlny/mikrovlny.pdf