- Last modification
- Rev 155 – pavlicek – 6480 d 21 h
- Log message
| Path | Blame | Diff | Log |
|---|---|---|---|
| /projekty/Luxmetr/DOC/Rozsahy.xls | Log | ||
| /projekty/Luxmetr/HW/BPW21R.pdf | Log | ||
| /projekty/Luxmetr/SCH&PCB/blokové schéma.png | Log | ||
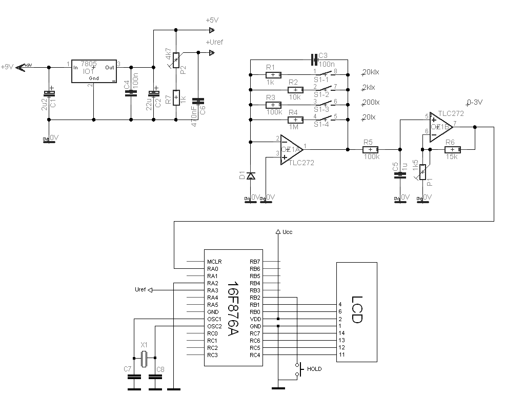
| /projekty/Luxmetr/SCH&PCB/schéma.png | Log |
| Path | Blame | Diff | Log |
|---|---|---|---|
| /projekty/Luxmetr/DOC/Rozsahy.xls | Log | ||
| /projekty/Luxmetr/HW/BPW21R.pdf | Log | ||
| /projekty/Luxmetr/SCH&PCB/blokové schéma.png | Log | ||
| /projekty/Luxmetr/SCH&PCB/schéma.png | Log |